400-0817-123
周一到周五
sales@sd123iot.com
T05 管道防爆溫度變送器是一種高性能的溫度檢測設備,適用于檢測管道內部溫度。該產品具有高精度、可靠性高、易于安裝等特點,能夠幫助用戶實時監測管道內部的溫度變化,保證生產過程的安全性和穩定性。本產品采用防爆設計,適用于易燃易爆場所,能夠有效地避免因爆炸事故引起的人員傷亡和財產損失。














屏幕顯示 | 液晶顯示屏 |
測量范圍 | -200℃~850℃(可定制)(溫度過高需加散 熱片處理保護變送器) |
精度等級 | PT100:A 級±(0.15+0.002|t|)℃;B 級± (0.30+0.005|t|)℃; |t|為溫度的絕對值; |
長期穩定性 | ≤0.2%FS/ 年 |
溫度漂移 | ≤0.02% FS / ℃(在 0-70 ℃工作溫度范 圍內) |
環境溫度 | -20℃+85℃ |
儲存溫度 | -55℃~+125 ℃ |
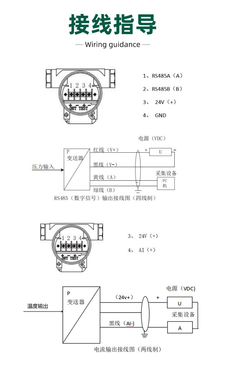
輸出信號 | 4-20mA 、0-5VDC、RS485 |
供電電壓 | DC24V |
防爆等級 | 本安 ia II C T5 隔爆 dII C T5 |
接濕件材質 | 316 不銹鋼和 1Gr18Ni9Ti |
外殼材質 | 壓鑄合金鋁,表面環氧噴涂 |
防護等級 | IP67 |
安裝方式 | 垂直、水平安裝 |
螺紋規格 | M27*2(默認);M20*1.5、G1/2 等其他 可定制; |
探桿直徑 | 直徑:6mm 、8mm 、10mm、12mm(默 認),16mm 其他直 徑可定制; |
企業官方店鋪:
京東旗艦店:

復制產品鏈接
長按圖片保存/分享
咨詢表單:
咨詢內容:
你還沒有添加任何產品